Автор |
Сообщение |
nethello Гуру
|
|
| Задолбали эти газлифты. Уже третий стул за 5 лет меняю. Болезнь одна - сидишь и потихоньку спускаешься вниз. Надоело. Есть что-то в природе из разряда компьютерных стульев/кресел не содержащее газлифта, но тем не менее хотя бы мало-мальски регулирующееся по высоте. Ну и вертящееся и на колёсиках. Буду благодарен за ссылки.Последний раз редактировалось: nethello (Пн 24-04-17 : 20-30), всего редактировалось 1 раз |
|
 |
|
 |
Kivin248 Гуру
|
|
| nethello писал(а): |
| Задолбали эти газлифты. Уже третий стул за 5 лет меняю. Болезнь одна - сидишь и потихоньку спускаешься вниз. Надоело. Есть что-то в природе из разряда компьютерных стульев/кресел не содержащее газлифта, но тем не менее хотя бы мало-мальски регулирующееся по высоте. Ну и вертящееся и на колёсиках. Буду благодарен за ссылки. |
Табурет!
А по высоте -можно желтые страницы подкладывать
 |
|
 |
|
 |
zmeeed Эксперт
|
|
 |
|
 |
Romani Гуру
Предупреждений : 1
|
|
| На шток газлифта накинуть подшипников подходящего диаметра и нет больше проблемы. У меня так наоборот проблема в том, что очень высокие для меня кресла на самом нижнем положении, и вот тут по сложнее выйти из ситуации, спасет только то, что крестовины кресел бюрократ сделаны из пластилина, в них благополучно провалилась гильза и теперь молюсь, чтобы кресло не сломалось, сколько в офисах не встречал кресел все мне не удобны. |
|
 |
|
 |
Romani Гуру
Предупреждений : 1
|
|
| Ахах, еще вариант купить домкрат гидравлический типа "бутылочный" и примострячить к гильзе кресла, выдержит любого обжорку )) |
|
 |
|
 |
nethello Гуру
|
|
| zmeeed писал(а): |
| газлифт расходник, купил - заменил. |
У меня их 5 шт. дома валяется. Толку нет. Они до 100 кг выдерживают. У меня 130. Не канает. Хотелось бы как у велотренажёра сиденье регулируется по высоте сдвигом выше-ниже и совмещением отверстий под болт. За зиму вес набрал, было 100 по осени. Щас за лето на даче опять скину 25-30 кило, но по осени надо стул нормальный искать. |
|
 |
|
 |
nethello Гуру
|
|
| Romani писал(а): |
| На шток газлифта накинуть подшипников подходящего диаметра |
Можно трубку подобрать нужной длины и диаметра - тоже читал про такой вид ремонта. Трубку легче найти, чем несколько подшипников. Но хочу стул поискать какой в заголовке указан. Обычный стул пробовал -низковат. Можно конечно подбить к ножкам что-нибудь, но хочется вертячий и с подлокотниками. У меня стол приподнят вкрученными диванными ножками - под мой рост 186 см. Поэтому низкий стул не канает. Стол угловой, очень удобный, хоть и обшарпанный, но мне нравится. Его менять точно не буду. |
|
 |
|
 |
dimm Гуру
Предупреждений : 1
|
|
| Romani писал(а): |
| сколько в офисах не встречал кресел все мне не удобны. |
Сделай сам или закажи что бы сделали , для под тебя кресло .
Можно из автомобильного кресла переделать
 |
|
 |
|
 |
Romani Гуру
Предупреждений : 1
|
|
dimm
ого себе, первая фотка - кресло огонь, где такое нашел? Стоит небось как спорткар. |
|
 |
|
 |
dimm Гуру
Предупреждений : 1
|
|
| Romani писал(а): |
dimm
ого себе, первая фотка - кресло огонь, где такое нашел? Стоит небось как спорткар. |
В яндексе забил компьютерное кресло из автомобильного сидения , он много картинок выдал , эта одна из них . На youtube даже видео есть , как аналогичное кресло сделать . В свое время думал о таком кресле , но денег жалко , в итоге я дома использую обычное мягкое кресло , вот такое , для меня очень удобно
 |
|
 |
|
 |
POZITIF Продвинутый форумчанин
|
|
| зафиксировать шток хомутом |
|
 |
|
 |
nethello Гуру
|
|
| POZITIF писал(а): |
| зафиксировать шток хомутом |
Соскользнёт. Такое давление. |
|
 |
|
 |
POZITIF Продвинутый форумчанин
|
|
| nethello писал(а): |
| POZITIF писал(а): |
| зафиксировать шток хомутом |
Соскользнёт. Такое давление. |
ну тогда одеть трубу поверх |
|
 |
|
 |
alexs22222 Гуру
Предупреждений : 2
|
|
У дочки уже 5 лет креслу, лифтом не кто не когда не игрался, держит отлично, и не самое дорогое кресло.
Ну а если конечно им играться без остановки то и приходит в негодность. По мере роста дочка регулирует по высоте. И Ноу проблем....
Ну а человеку который и вовсе уже не меняет свой рост, выставил 1 раз как надо, и будет держать вечно. .....
А вот обшивка уже слезает блин... |
|
 |
|
 |
nethello Гуру
|
|
| nethello писал(а): |
| Можно трубку подобрать нужной длины и диаметра - тоже читал про такой вид ремонта. Трубку легче найти, чем несколько подшипников. |
| POZITIF писал(а): |
| ну тогда одеть трубу поверх |
трубка надевется не поверх, а на шток, который внутри трубы. Сейчас занимаюсь подыскиванием такой трубки, потому что не смог выбить газлифт из пиастры, только развальцевал. Ну а разобрать для трубки - влегкую. А может кучу подшипников найду. Но скорее всего другое куплю. |
|
 |
|
 |
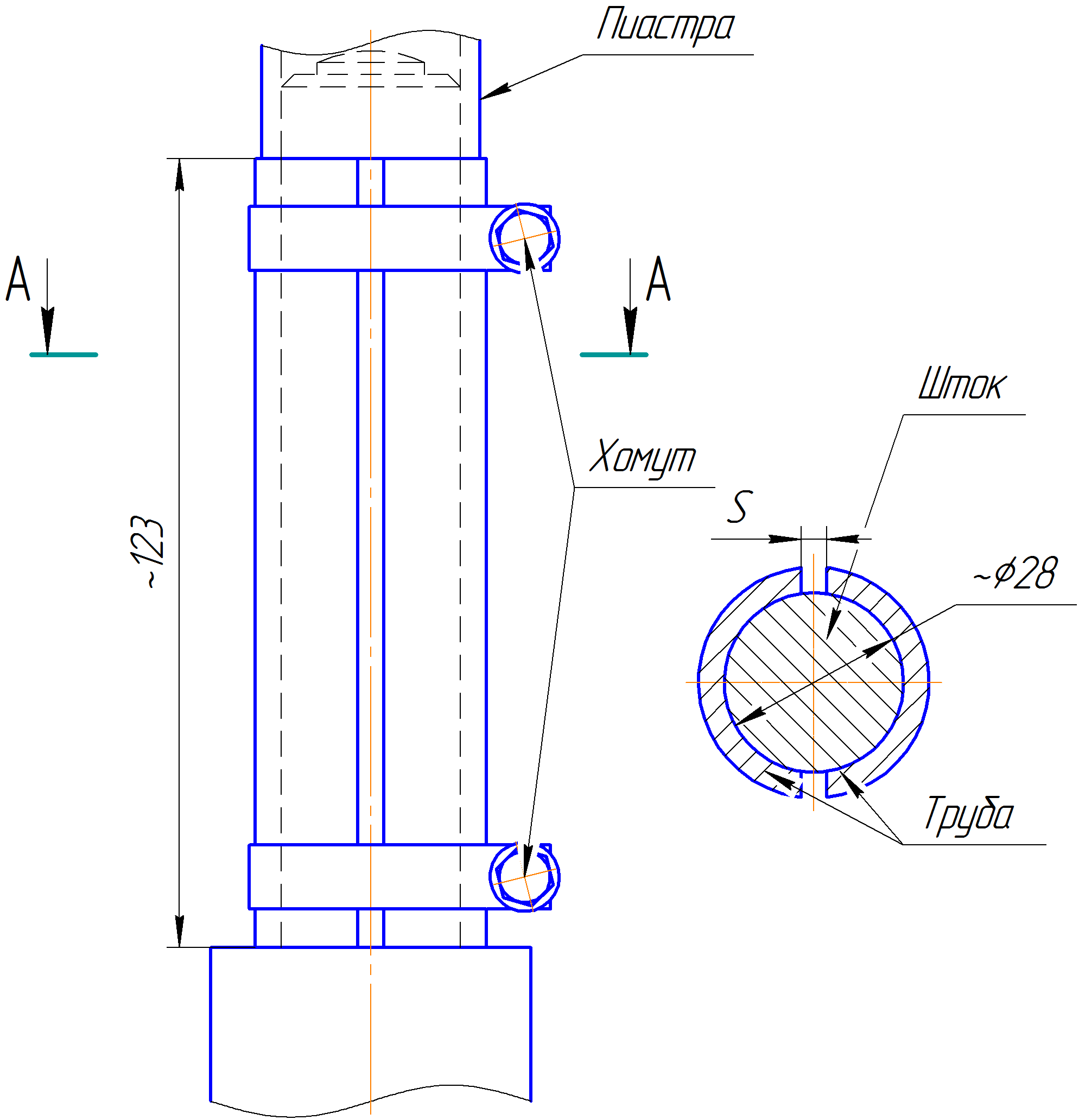
POZITIF Продвинутый форумчанин
|
|
если есть чем распилить трубу вдоль, то можно так
| .png |
| Описание: |
|
| Размер файла: |
51.48 KB |
| Просмотрено: |
254 раз(а) |

|
|
|
 |
|
 |
nethello Гуру
|
|
| POZITIF писал(а): |
| если есть чем распилить трубу вдоль, то можно так |
Красиво, но для меня невыполнимо.
Всё ещё ищу кресло без газлифта. |
|
 |
|
 |
КВАЗАР Гуру
|
|
 |
|
 |
nethello Гуру
|
|
КВАЗАР
Вот это видео я и смотрел. С трубочкой имхо самый лучший вариант. Но пока проблема - не нашёл подходящую трубочку.
Кстати, сколько не разбирал этих цилиндров ни разу не видел целого упорного подшипника - всегда разломанный рассыпавшийся. Собирал кое как на штоке между шайбами, укреплял узким скотчем. Работало. |
|
 |
|
 |
alexs22222 Гуру
Предупреждений : 2
|
|
 |
|
 |
|