Автор |
Сообщение |
OPRST1986 Гуру
|
|
Сколько перечитал статей, везде просто подключают компьютерную неонку в автомобиль без проблем, но у меня перегорел предохранитель в инверторе при первом же подключении
Кто разбирается в электрике, нужна ваша помощь!
1. Надо бы заменить этот предохранитель, но какие у него параметры?
2. Чем питание автомобильное отличаются от компьютерного?
3. Помогите подобрать резистор, если он конечно мне поможет!
 |
|
 |
|
 |
Isc Гуру
|
|
самое главное - отличие автомобильного напряжения от компьютерного - отсутствие нормальной стабилизации..
все зависит от состояния эл. проводки, реле регулятора и аккумулятора. номинальное бортсети 14,4в.
(в компе 12) но в компе оно стабильное, а в бортсети не очень.
но самое неприятное - кратковременные выбросы. несколько десятков вольт.
т.е. без дополнительного фильтра/защиты от выбросов. либо не предназначенное для авто. не стоит подключать. |
|
 |
|
 |
-=GHOST=- Гуру
|
|
стабилизатор напряжения тебе нужен...
Знакомый ставил неоновую лампу в салон (вместо стандартного освещения) она работала до 2-х суток, потом перегарала...
где-то в интеренете валяется мануал как собрать(спаять) стабилизатор на 12 вольт, и поставит его перед этой самой лампой....
а вообще даже диоды выгорают ооочень быстро от нестабильной бортовой сети.... |
|
 |
|
 |
OPRST1986 Гуру
|
|
L78S12CV я так понимаю, что на нем строится стабилизатор? или уже готовый, просто подключил и все? Подойдет такой?
Еще вопрос: От магнитолы на проводах висит блок с предохранителями и катушкой и еще чем-то - это только фильтр или мож тоже какой стабилизатор? |
|
 |
|
 |
-=GHOST=- Гуру
|
|
OPRST1986
Надо смотреть конкретно что там и как... вполне возможно что это и есть стабилизатор... |
|
 |
|
 |
Isc Гуру
|
|
| OPRST1986 писал(а): |
L78S12CV я так понимаю, что на нем строится стабилизатор? или уже готовый, просто подключил и все? Подойдет такой?
Еще вопрос: От магнитолы на проводах висит блок с предохранителями и катушкой и еще чем-то - это только фильтр или мож тоже какой стабилизатор? |
голая 7812 не выдержит работы в авто бортсети.
защита от выбросов нужна.
ограничитель (TRANSIENT VOLTAGE SUPPRESSORS),
что то типа 1,5КЕ24,
правильно включить ессно.
там только фильтр. не стабилизатор. |
|
 |
|
 |
NeoN Гуру
|
|
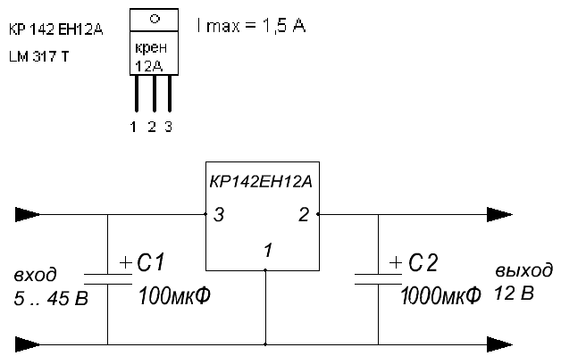
Можно очень простой стабилизатор сделать на КР142ЕН12А (она же LM 317T).
Из схемы убрать R1 и R2, ногу 1 вниз паять, на вход добавить конденсатор (100 - 500 мкФ, 50В), С1 500мкФ (можно больше) 16В.
Можно и вообще одну только кренку, но это плохой вариант
| image1244406.png |
| Описание: |
|
| Размер файла: |
2.93 KB |
| Просмотрено: |
8334 раз(а) |

|
|
|
 |
|
 |
OPRST1986 Гуру
|
|
| NeoN писал(а): |
| Из схемы убрать R1 и R2, ногу 1 вниз паять, на вход добавить конденсатор (100 - 500 мкФ, 50В), С1 500мкФ (можно больше) 16В. |
Я че-то не пойму как он стабилизирует если на картинке нарисовано входящее напряжение от 5 до 45 В и выходящее от 1,2 до 37 В, я думал должно входить (например) от 10 до 25 В, а выходить только 12 В? Или эти заветные 12 В Я так думаю регулируется R2 и на выходе можно добиться только 12 В? Так, а если его убрать то что? Какое напряжение будет выходить? |
|
 |
|
 |
OPRST1986 Гуру
|
|
| NeoN писал(а): |
| КР142ЕН12А |
Он на сколько ампер? |
|
 |
|
 |
Shub-Niggurath Geek
Предупреждений : 4
|
|
 |
|
 |
NeoN Гуру
|
|
днем некогда было рисовать, кинул, что первое нашлось, вот так должно выглядеть
| kr142en12a.png |
| Описание: |
|
| Размер файла: |
14.05 KB |
| Просмотрено: |
499 раз(а) |

|
|
|
 |
|
 |
Isc Гуру
|
|
NeoN
это работать не будет. |
|
 |
|
 |
Мишаня Гуру
|
|
 |
|
 |
OPRST1986 Гуру
|
|
NeoN
Спасибо за схему
| Isc писал(а): |
| это работать не будет. |
Почему? Поделитесь тогда схемой которая будет работать  |
|
 |
|
 |
Isc Гуру
|
|
| OPRST1986 писал(а): |
| Почему? Поделитесь тогда схемой которая будет работать |
317 линейный регулируемый стабилизатор. она не умеет повышать.
выходное напряжение может быть только меньше входного,
задается делителем подключенным между выходом. землей и входом adj. если этот вход adj замкнуть на землю на выходе всегда будет максимально возможное . т.е. Uвх - 1,5v (падение на регулирующем элементе).
что бы выдать схему которая будет работать - мне нужно услышать ТЗ.
напр вход. (тут ясно бортсеть)
выход. напряжение. мощность.
допустимые размеры (теплоотвод) если мощность большая - линейный стабилизатор будет сильно греться. лучше делать импульсный.
что из себя представляет (как нагрузка для стабилизатора) "компьютерная неонка". честно говоря не знаю.
помни - правильно заданный вопрос. содержит большую часть ответа -) |
|
 |
|
 |
Iskander.nsk Гуру
|
|
| Isc писал(а): |
| она не умеет повышать. |
А зачем уж такая стабильность? Похоже снижение напруги для лампы не критично, а скачки срежутся.
Я бы в эту схемку катушку поставил перед С1 на плюсовой провод, чтобы саму КРЕНку защитить. Намотать ПЭЛ 0,5 , витков 100, на ферритовое кольцо диаметром ~20мм. |
|
 |
|
 |
Isc Гуру
|
|
на картинке нарисовано
вход 5...45В. Выход 12.
не может она при 5 на входе на выход выдать 12.
и еще раз - lm317 требует делитель в обратную связь - иначе не работает.
вышуказанная катушка +
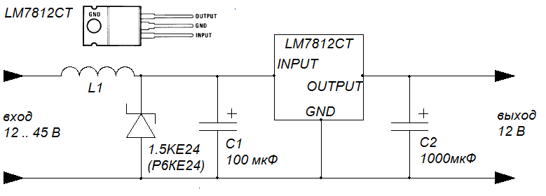
заменяем lm317 на LM7812CT
и между входом схемы и землей ставим ограничитель 1.5КЕ24. |
|
 |
|
 |
NeoN Гуру
|
|
да, я тупо срисовал, конечно при 5В на выходе будет около 4В... но повышать то и не надо.
Это все путаница в советских маркировках, по этой схеме у меня работают КР142ЕН5А и КР142ЕН8А - вентиляторы в компе через них подключены, а тут действительно надо LM7812CT.
Приношу извинения |
|
 |
|
 |
NeoN Гуру
|
|
Release candidate 1
| LM7812CT.png |
| Описание: |
|
| Размер файла: |
15.39 KB |
| Просмотрено: |
457 раз(а) |

|
|
|
 |
|
 |
Isc Гуру
|
|
для 78хх
Input Voltage (for VO = 5V to 18V) VI= 35V |
|
 |
|
 |
|