Автор |
Сообщение |
Evgeny79 Гуру
|
|
Чето не выводит на экран ничего. Вентили на процессоре, корпусе, включаются, крутятся.
Видюха целая, в другом компе она же все рисует. Вставляю другую ВК тоже нет вывода. Монитор так и говорит - нет сигнала.
Началось с внезапного глюка кабеля DisplayPort. На моем компе при выходе из спячки показался экран а потом он почернел. Причем както инетересно что аж монитор завис. На кнопки меню, выключение не реагирует. Выдернул питание из монитора, потом включаю картинка есть. Перезагружаю комп всё комп не грузится, гудит только вентияторами, и на экране ничего нет. И монитор не раегирует опять на на что.
Пошел с этим кабелем на втором компе проверять, таже хрень. Забрал пока со второго hdmi кабель себе. Все работает прекрасно. А тот второй комп, пока я перетыкал видюхи и кабели туда сюда теперь перестал совсем картинку выводить...
хоть на DP хоть на HDMI кабеле
Подозреваю что этим кривым DP кабелем чето пожег на компе. Кстати он еще на гарантии днс..
Кабель два года работал исправно. Шел в комплекте с монитором DELL.
Нагуглил похожую проблему, там пишут что в плохом кабеле на 20 контакт идет питание с монитора, вот мать и может глючить. Прозвонил 20 контакт, он не звонится.. может он там переплетен хитро. проверял и 1й и 20й и крест накрест, нет соединения..
В общем надо тащить комп на диагностику выявлять что поломалось. Прошу совета куда его снести чтобы не две недели его там мучили, а по возможности прямо при мне.
Или же сдать его в СЦ ДНС ?
Всё это конечно уже после НГ.Последний раз редактировалось: Evgeny79 (Ср 5-01-22 : 00-28), всего редактировалось 1 раз |
|
 |
|
 |
alexs22222 Гуру
Предупреждений : 2
|
|
Evgeny79
не берусь не чего говорить конкретного, собираю комп на заказ, включаю и тишина полная, экран чорный чорный, вентиляторы все крутятся. сижу курю ломаю голову, и вижу, а доп питание то в видюху кто воткнет вместо меня.
Следущая ситуевина, симптомы теже, только проблемма другая, где то или не доткнул видюху или контак грязный был, вытащил вставил обратно и произошло чудо.
так случайности из жизни. было и так что и фишки с блока питания вытащишь вставишь и оп все запустилось.
Может не все так критично? может все подергать перевставить? |
|
 |
|
 |
nethello Гуру
|
|
| Evgeny79 писал(а): |
| Кабель два года работал исправно. Шел в комплекте с монитором DELL. |
Монитор Dell тоже был с кабелем Дисплейпорт. Сразу его выкинул и уже лет 10 с кабелем DVI и горя не зною. Вторым монитором телек через HDMI и то же горя не знаю |
|
 |
|
 |
Evgeny79 Гуру
|
|
обновляю
На кабеле HDMI сегодня опять поймал этот же глюк!
Монитор зависает и все, черный экран. Видно что горит подсветка, т.е. не полностью выключен. На кнопки управления не реагирует.
Выключил комп полностью, выдернул его из розетки, монитор так и стоит колом с черно-серым экраном.. Помогает только обесточить и сам моник тоже.
Далее подождав немного включаю всё. Комп загружается, на экране показывается загрузка биос с предложением войти в настройки и тд.
Дальше экран опять переходит в этот глушняк.
Комп же работает дальше, т.е. не висит. Лампочки на клавиатуре включаются выклюячаются. По кнопке питания системник спокойно выключается. А монитору хоть бы хны вообще..
Через 5й раз комп таки загрузился, вот пишу сообщение из горящего так сказать танка ))
Покручу бублик на видюхе, посмотрю чо будет
проц Ryzen 5 2600
мать GIGABYTE B450M DS3H
опера A-Data XPG Gammix D10 2x8гб 3000MGz PC24000
видос geforce 1050ti . брал в уценке днс, полтора года назад.
бп be quiet SYSTEM POWER 9 700W - тоже из уценки, также полтора года назад |
|
 |
|
 |
Evgeny79 Гуру
|
|
бублик проблем не обнаружил
 |
|
 |
|
 |
alexs22222 Гуру
Предупреждений : 2
|
|
| Evgeny79 писал(а): |
| Через 5й раз комп таки загрузился |
однако надо попробовать с другим монитором -телеком, однако все дело в мониторе а не в компе.
Ну так мысли в слух. Наверное в мониторе высохли кондерики и пора их заменить. |
|
 |
|
 |
nethello Гуру
|
|
| Или к этому же монитору для проверки другой комп подключить. Если не будет работать, значит что-то с монитором |
|
 |
|
 |
JASJAS Гуру
|
|
| а на видеовыход матери цеплялся? может биос глюкнул и принудительно стоит вывод туда? |
|
 |
|
 |
ScarletWind Save this world
Предупреждений : 3
|
|
| Evgeny79 писал(а): |
| я сам айтишник с 15-летним стажем |
| Evgeny79 писал(а): |
| бп be quiet SYSTEM POWER 9 700W - тоже из уценки, также полтора года назад |
За пятнадцать уж мог научиться не экономить на БП. Проблема может быть именно в нём. (а может быть даже в кабеле питания к нему). Если нет - то скорее всего дело в материнке. В идеале стоило бы попробовать другой бп и кабель питания, перед тем как идти в сервис. Но если возможности нет - то лучше оттащить на диагностику, пока есть гарантия. |
|
 |
|
 |
Evgeny79 Гуру
|
|
В сервис не поплелся.
Ну в общем да, у меня сдох монитор. Скорее всего дело в кондерах и есть, надо разбирать и копаться.
Пока что себе взял новый монитор побольше и почетче )
На втором компе, который перестал вообще выводить изображение, просто сбросил биос на дефолт, перемкнув контакты сброса, и все заработало...
хм.. видеовыход матери не пробовал, т.к. точно знаю что процессоры без встроенной видюхи.
Про такой глюк биоса не знал, может это и было до того как я его сбросил.
не, ну хороший же бп, и цена привлекательная была. тем более что у меня перед компом еще и стабилизатор стоит. |
|
 |
|
 |
nethello Гуру
|
|
| Evgeny79 писал(а): |
| тем более что у меня перед компом еще и стабилизатор стоит |
Это что-то новое и скорее всего лишнее. Современная техника не нуждается в стабилизаторах ни компы, ни телевизоры ни что-то другое. Если не прав - спецы поправьте. Нынешняя техника прекрасно работает примерно от 100 до 250 Вольт. Стабилизатор только портит - он на ранешнюю технику рассчитан, да и мощность у них не очень. Может ты имел ввиду ИБП? Тогда да, нужен |
|
 |
|
 |
Evgeny79 Гуру
|
|
Нет, не ибп. Именно стабилизатор.
ИБП раньше был, но как-то раз он зашипел из него не хило пошел дым.
Хорошо что я дома был.
С той поры только стабилизатор. Может и излишне, но мне спокойнее както ) |
|
 |
|
 |
nethello Гуру
|
|
| Evgeny79 писал(а): |
| Нет, не ибп. Именно стабилизатор. |
http://rukipro.ru/electrooborudovanie/stabilizatory/dlya-kompyutera-i-noutbuka.html
Выводы из статьи (цитирую):
"...Итак, учитывая все сказанное выше, можно сделать следующие выводы:
Компьютерная техника в сетевых фильтрах не нуждается, поскольку аналогичные фильтры встроены в схемы самих устройств.
Стабилизатор напряжения для компьютера и прочей офисной электроники необходим только если сетевое напряжение выходит за рамки допустимых напряжений, которые указаны на блоках питания компьютера и офисной техники.
Стабилизатор напряжения для ноутбука не нужен. Совсем. Никогда.
Источник бесперебойного питания необходим на случай внезапной пропажи сетевого напряжения с последующей утерей несохраненных данных.
В стабилизаторе напряжения при нестабильной сети не нуждается лишь инверторный и интерактивный ИБП, резервный ИБП желательно подключить через стабилизатор..."
Как то так |
|
 |
|
 |
CoMpOsTeR Эксперт
|
|
| Evgeny79 писал(а): |
| ИБП раньше был, но как-то раз он зашипел из него не хило пошел дым. |
Такие случаи в интернете тоже встречал как-то.
Дело в том, что непосредственно за включение нагрузки отвечает обычное механическое магнитное реле.
При коммутации реле со временем на контактах образуется нагар, и если реле слабенькое, то в итоге контакты просто привариваются друг к другу в неподходящий момент времени.
В итоге, при таком залипании контактов оказывается, что при включении ИБП или кратковременном превышении или пропаже электричества, одновременно к питанию подключённых устройств оказываются подключены и аккумулятор, и сами 220В. Т.е. на на выход преобразователя питания аккумулятора оказываются подключены 220В. Ну, а что может произойти с аккумулятором на 12В, который подключили к переменке 220В особо думать не надо - возгорание и прочие пироэффекты.
Не говорю, что такое может быть с каждым ИБП, но оставлять свой дом с включенным оборудованием крайне глупо.
Не зря на советском оборудовании раньше писали предупреждения, что нельзя оставлять электроприборы без присмотра.
Старый стабилизатор APC Line-R 600 работает нормально, а вот два более мощные APC Line-R 1200 через пару лет оба стали выходить из строя, не запускаясь при включении. Или запускаться, но когда отключишь нагрузку.
Стал разбираться, а в интернете у людей такие же причины, но даже разбирающиеся в электронике люди не могут определить причину.
Выпаивал определённое реле (их там 4 или 5, вроде) и разбирал его - были со сварившимися расплавленными контактами.
Менял, но всё повторялось снова и снова очень скоро. Проверил детали какие смог - всё нормально, в том числе и высоковольтные конденсаторы.
В данном случае сварившиеся контакты именно в стабилизаторе могли приводить к повышенному напряжению. (не помню проверял или нет)
А вот с менее мощной моделью в интернете таких проблем не встречал, она и у меня не глючит.
И у стабилизаторов нет алгоритма отключения нагрузки при превышении входного напряжения, кроме обычных варисторов, которые вкупе с автоматами в щитке работают. Стабилизатор и сильно повышенное будет пытаться уменьшить, пока не сработает варистор или сам пока не сгорит. Просто уменьшит вольт на 40, но не отрубит, пока не сгорит сам.
Лучше всего этого иметь электронную защиту от превышения напряжения, с регулируемым значением отключаемого уровня входного, так как они отключает нагрузку раньше срабатывания варистора (теоретически).
Но такие отдельные приборы в коробочках не продают, только для установки в щиток.
Всё вышеизложенное - просто наблюдения, не претендующие на что-либо... |
|
 |
|
 |
alexs22222 Гуру
Предупреждений : 2
|
|
nethello
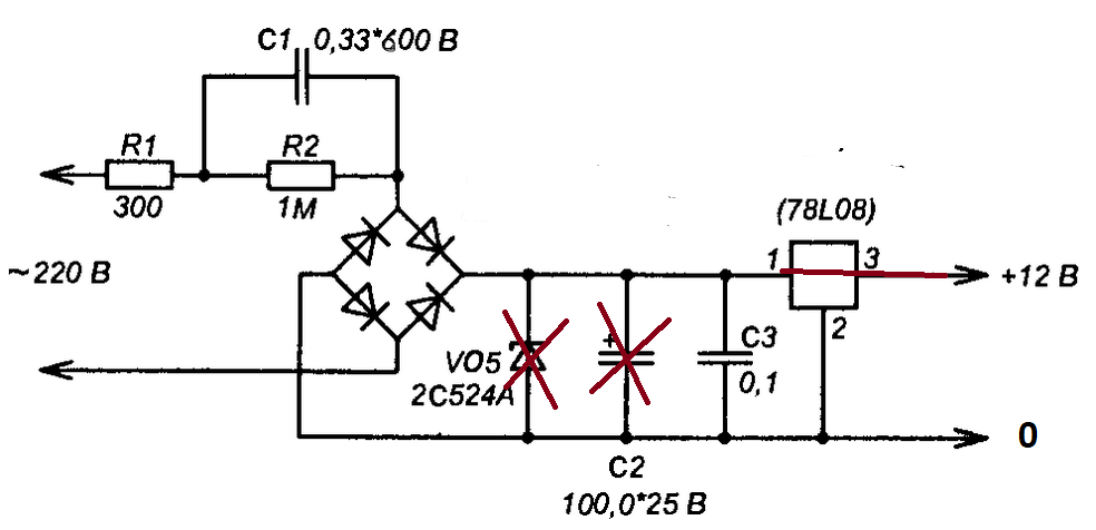
В принципе работает от постоянных 110 вольт или от 220 да есть такое. Одно дело когда постоянно в сети какое то напряжение, другое дело скачки постоянные в 50-60 вольт. Не выдерживают таких скачков БП питании, вылетают кондерики (электролитические) и стабилитроны от таких скачков. И стаюилизаторам такое тоже не по душе. Подому где есть скачки такие очень дыже рекомендуется ставить стабилизатор. Да скачки в в 5-7 вольт не страшны а вот в 10 и более уже не прикольно, БП какое время дюжит а потом оп стабилитрон вылетел за следом кондерик, стабилитрон вылетел а он вылетает по принципу сгорел и на нем КЗ нету, и вот за стабилитроном стоит кондерик расчитанный на стабильное до скажем с двойным запасом 25 вольт, а тут стабилитрон сгорел и прилитело на него 200 вольт, и на стабилизатор которые в принцепе справляется только с 2 нагрузкой тоже вместо 25 вотльт 200, и улетоло все это на микросхемы вперед так как стабилизоторы обычно вылетают всегда оставаясь в КЗ без обрыва как стабилитрон.
Хорошо если кондерик дал КЗ и диодный мост сгорел, а если он выстрелил и в КЗ не ушол.
Вообщем безтрансформаторной технике нужен стабилизатор на трансформаторе.
Думаю по картинке понятно, крестик это элементы сгорающие без КЗ и полоска которые сгорая практически всегда остаются в КЗ тоесть продолжают за собой пропускать то что на них прилетело, с редким случаем КЗ на нольили на минус кому как удобнее.
| 2525438.png |
| Описание: |
|
| Размер файла: |
77.22 KB |
| Просмотрено: |
129 раз(а) |

|
|
|
 |
|
 |
alexs22222 Гуру
Предупреждений : 2
|
|
CoMpOsTeR
тормози, не надо про реле говорить, в такой технике как БП компов и мониторов телеков стоят так называемые твердотельные реле там нет контактов. |
|
 |
|
 |
CoMpOsTeR Эксперт
|
|
| alexs22222 писал(а): |
| В принципе работает от постоянных 110 вольт или от 220 да есть такое. |
Не всегда такие были блоки питания компов.
Были просто на одно или с переключателем.
Не знаю как сейчас, может и сейчас также продают такие с переключателем, т.е. не все универсальные 110-230В во всём диапазоне.
Но всё же опасно превышение, для этого и защита. В б/п компов обычные варисторы вольт на 300 срабатывания.
| alexs22222 писал(а): |
| тормози, не надо про реле говорить, в такой технике как БП компов |
Я говорил про ИБП и стабилизаторы.
Там - обычные быстродействующие механические реле. |
|
 |
|
 |
alexs22222 Гуру
Предупреждений : 2
|
|
| CoMpOsTeR писал(а): |
| Не всегда такие были блоки питания компов. |
Да не всегда. Но последние лет 15 точно все.
| CoMpOsTeR писал(а): |
| Я говорил про ИБП |
Контактное реле медлеленно и неэффективно переключает, давно не попадали ИБП в ремонт, думал что и в них перешли на твердотельные, потому как была вечная с ними морока.
| CoMpOsTeR писал(а): |
| Я говорил про стабилизаторы. |
Там вообще нет реле. Не в новых там есть реле, но оно отсекающие, Отключает от сети если порог работы ниже заданного или выше скажем до 100 вольт и не включится выше 260 выключится.
Но это уже совсем другая история и там тоже используют твердотельные. |
|
 |
|
 |
ATX555 Гуру
|
|
| Evgeny79 писал(а): |
С той поры только стабилизатор.
Может и излишне, но мне спокойнее както ) |
Если импульсный - то ещё и вредно может быть в некоторых случаях.
А у трансформаторных - мощность сильно ограничена... |
|
 |
|
 |
CoMpOsTeR Эксперт
|
|
| alexs22222 писал(а): |
| Контактное реле медлеленно и неэффективно переключает |
Они там маленькие, поэтому успевают переключиться меньше, чем за полупериод синусоиды или типа около того - техника не успевает отрубиться. А раз маленькие, то и хлипкие.
| alexs22222 писал(а): |
| давно не попадали ИБП в ремонт, думал что и в них перешли на твердотельные, потому как была вечная с ними морока. |
Ты что, хочешь, чтобы APC разорился, что ли, выпуская долговечную продукцию? )
| alexs22222 писал(а): |
Там вообще нет реле. Не в новых там есть реле, но оно отсекающие, Отключает от сети если порог работы ниже заданного или выше скажем до 100 вольт и не включится выше 260 выключится.
Но это уже совсем другая история и там тоже используют твердотельные. |
Ничего из тобой упомянутого у 3-х купленный мной стабилизаторов APC в 2014-м не было. Два из них валяются с глюком - хоть выбрасывай или на детали разбирай. Или мощное реле надо искать взамен выгорающего.
В каждом по 4 обычных реле, которые коммутируют обмотки автотрансформатора.
И нет никакого отключения в случае повышенного, во всяком случае в инструкции про это не сказано, да и в тестах на повышенное в интернете, вроде, как не отключался (не помню). Будет просто уменьшать вольт на 40, пока не сгорит.
Вряд ли другие бытовые стабилизаторы лучше работают.
| ATX555 писал(а): |
| А у трансформаторных - мощность сильно ограничена... |
Ну, так стиральные машины или чайник подключать не рекомендуется... |
|
 |
|
 |
|
Аватары: Вкл|Выкл ЮзерИнфо: Вкл|Выкл Подписи: Вкл|Выкл
|
Вы не можете начинать темы Вы не можете отвечать на сообщения Вы не можете редактировать свои сообщения Вы не можете удалять свои сообщения Вы не можете голосовать в опросах Вы не можете вкладывать файлы Вы можете скачивать файлы
|
|