Автор |
Сообщение |
OPRST1986 Гуру
|
|
Привет. 2 вопроса касательно автомобиля:
1. Штатная антенна это нити на заднем стекле, часть нитей FM, а часть нитей AM. Вроде как FM по периметру проходит, а AM это 3 горизонтальные полоски сверху стекла.
AM я не слушаю, да и он отдельным маленьким штекером, который только под штатную магнитолу.
Вопрос, можно ли нити AM соединить с нитями FM ?
Качество приема FM улучшится или ухудшится? Я бы сам поэкспериментировал, но разбирать машину лень
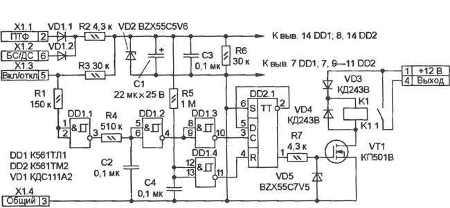
2. Нужно в схему добавить "видимо конденсатор", что бы получить задержку выключения в 1 сек. + или - пол секунды. Точное время задержки не критично, пусть и 5 сек, главное чтоб работало.
Или тупо поставить конденсатор перед питанием реле? Я в этом не силен.
Принципиальная схема реле 23.3777
| Rele_23.3777_01.jpg |
| Описание: |
|
| Размер файла: |
67.88 KB |
| Просмотрено: |
126 раз(а) |

|
|
|
 |
|
 |
ToXaNSK Гуру
|
|
1. купить другую антенну.
2. не понял зачем!? Если для п. 1, то при выполнении оного, отпадет п 2. |
|
 |
|
 |
OPRST1986 Гуру
|
|
| ToXaNSK писал(а): |
1. купить другую антенну.
2. не понял зачем!? Если для п. 1, то при выполнении оного, отпадет п 2. |
Бывает катаюсь по лесам. искитимского района и штатная антенна иногда не ловит. лепить на стекло или сверлить машину для выносной антенны нет такой сильной необходимости)) просто думал обойтись малыми переделками. но почитал, для каждого диаппазона своя длина антенны. думаю будет еще хуже.
по второму вопросу: это реле от ваза и оно управляется подачей минуса от штатной кнопки без фиксации. у меня на нем усь саба, сделано это что бы не лазить в настройкP |
|
 |
|
 |
OPRST1986 Гуру
|
|
при отк усь щелкает громко, нужна задержка отк. сначало магнитола потом усь.
пишу с телефона по догоге , на ошбки не смотреть)) |
|
 |
|
 |
|
Аватары: Вкл|Выкл ЮзерИнфо: Вкл|Выкл Подписи: Вкл|Выкл
|
Вы не можете начинать темы Вы не можете отвечать на сообщения Вы не можете редактировать свои сообщения Вы не можете удалять свои сообщения Вы не можете голосовать в опросах Вы не можете вкладывать файлы Вы можете скачивать файлы
|
|