Автор |
Сообщение |
razzz Форумчанин
|
|
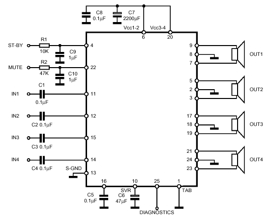
Подскажите что подавать на 1 , 4, 22 входы и куда питалово подключать? микруха tda7388
| 11_SH_9_02.gif |
| Описание: |
|
| Размер файла: |
15.21 KB |
| Просмотрено: |
140 раз(а) |

|
|
|
 |
|
 |
Shub-Niggurath Geek
Предупреждений : 4
|
|
на схеме всё подписано
1 - земля
4 - standby
22 - mute
6-20 - питаниеПоследний раз редактировалось: Shub-Niggurath (Чт 30-12-10 : 18-59), всего редактировалось 1 раз |
|
 |
|
 |
alexcom Медвед-шатун
Предупреждений : 2
|
|
 |
|
 |
Iskander.nsk Гуру
|
|
Shub-Niggurath
Ура-а-а-а! Он всё объяснил!!! |
|
 |
|
 |
sog Гуру
|
|
| Iskander.nsk писал(а): |
Shub-Niggurath
Ура-а-а-а! Он всё объяснил!!! |
 |
|
 |
|
 |
Shub-Niggurath Geek
Предупреждений : 4
|
|
Ну, если человек не знает, что значит standby и mute - пускай погуглит, либо возьмёт любой пульт, найдёт на нём эти кнопки, нажмёт и посмотрит эффект.
А если знает, но не знает, что подавать - пускай даташит скачает и посмотрит, наверняка там есть.
А если вообще ничего не понимает, что ему даст знание о том, чего куда подавать, если он даже схему прочитать не может (что более всего вероятно, если он спрашивает, "КУДА ПОДАВАТЬ ПИТАНИЕ")? |
|
 |
|
 |
alexcom Медвед-шатун
Предупреждений : 2
|
|
| предлогаю создать тему " что такое vcc и что туда подавать" |
|
 |
|
 |
razzz Форумчанин
|
|
да знаю что это такое , просто незнал что подавать на них
| alexcom писал(а): |
 |
|
|
 |
|
 |
sog Гуру
|
|
| alexcom писал(а): |
| предлогаю создать тему " что такое vcc и что туда подавать" |
пацан предложил - пацан сделал
Shub-Niggurath писал(а):
| Цитата: |
пускай даташит скачает и посмотрит, наверняка там есть. |
а где именно нужно даташит скачать ?Последний раз редактировалось: sog (Чт 30-12-10 : 20-33), всего редактировалось 1 раз |
|
 |
|
 |
Shub-Niggurath Geek
Предупреждений : 4
|
|
| sog писал(а): |
| а где именно нужно даташит скачать ? |
В инторнете, я думаю  |
|
 |
|
 |
sog Гуру
|
|
| Shub-Niggurath писал(а): |
| sog писал(а): |
| а где именно нужно даташит скачать ? |
В инторнете, я думаю  |
Понятно. Думаю, это необходимая и достаточная информация для автора. |
|
 |
|
 |
tento Форумчанин
|
|
 |
|
 |
|